moteur

M280-eVTOL

Description

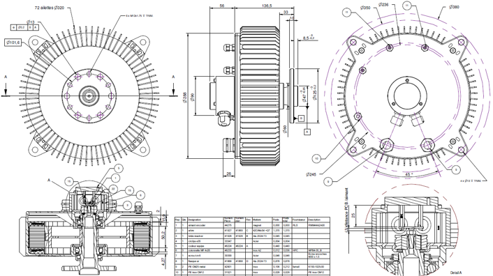
Le moteur eVTOL de KeepMotion a été développé pour les applications aéronautiques légères, où un rapport couple/masse élevé est requis. Sa conception actuelle utilise un refroidissement par convection forcée via l’hélice du moteur, mais une version refroidie à l’eau est également disponible pour garantir un fonctionnement dans toutes les conditions. Le moteur est conçu avec une architecture redondante, ce qui lui permet d’être utilisé malgré la défaillance de l’un des composants du système.  

Personnalisations

SPÉCIFICATIONS TECHNIQUES

M280 – eVTOL

Description produit 

TechnologieAimant permanent à pôle saillant
Couple max400N.m
Couple nominal200N.m
Vitesse maximale4500RPM
Vitesse nominale2800RPM
Puissance max90kW
Puissance nominale60kW
Nombre de pôles24
Tension d’alimentation350 - 800V

Nos autres produits

Ils nous font confiance